Трехходовой шаровый кран BV3
Трехходовые шаровые краны предназначены для регулирования потока горячей или холодной воды, с управлением электроприводами РОВЕН серии RVE(H) по сигналу регулятора температуры в системах отопления, вентиляции и кондиционирования воздуха.
Особенности:
- Номинальный (условный диаметр): DN15, DN20, DN25, DN32
- Материал изготовления корпуса - латунь;
- Расчетное рабочее давление: 2,5 МПа/1,6 МПа
- Давление отключения: 1,36 МПа
- Максимальный перепад рабочего давления: 0,35 МПа
- Максимальный перепад бесшумного рабочего давления: 0,25 МПа
- Надежная конструкция
- Температура перемещаемой воды от + 5 до + 95 °C при температуре окружающей среды до + 40° C.
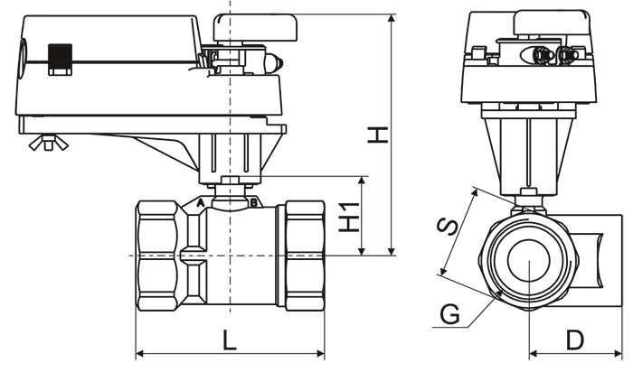
Габаритные размеры кранов

|
Модель |
DN |
G, дюйм |
H, мм |
H1, мм |
L, мм |
S, мм |
D, мм |
|
BV315B(8100) BV315C(8100) |
15 |
G1/2 |
142 |
39 |
60 |
25 |
30 |
|
BV320D(8100) |
20 |
G3/4 |
146 |
43 |
67 |
32 |
33 |
|
BV325A(8100) BV325B(8100) |
25 |
G1 |
150 |
47 |
89 |
39 |
47 |
|
BV332B(8100) |
32 |
G1 1/4 |
155 |
52 |
98 |
48 |
50 |
Технические характеристики кранов
|
Модель |
DN |
Диаметр соединения, дюйм |
KVs |
Угол поворота |
Используемый электропривод |
|
|
BV315B(8100) |
15 |
1/2 |
2,5 |
0-90 |
RVE02-24P(H) |
RVE05-24P(H) |
|
BV315C(8100) |
15 |
1/2 |
4,0 |
|||
|
BV320D(8100) |
20 |
3/4 |
6,3 |
|||
|
BV325A(8100) |
25 |
1 |
10,0 |
- |
||
|
BV325B(8100) |
25 |
1 |
16,0 |
|||
|
BV332B(8100) |
32 |
1 1/4 |
25,0 |
|||
Не представленные в наличии модели доступны к поставке под заказ
Всю необходимую информацию также можно получить по телефону «горячей линии»
+ 7 800 200 93 96или по телефону
+7 800 505 08 67 получить консультацию